




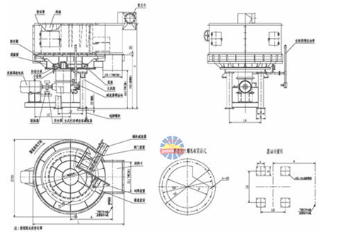
散狀物料從料斗裝入受料筒中,物料沿受料筒壁借本身自重堆積在圓盤上,用調節螺栓調整套筒與圓盤之間的間隙,可以控制物料在圓盤上的自然堆角。圓盤轉動時,物料被圓盤上的卸料刀均勻地刮到圓盤外下落,這樣隨著圓盤轉動,物料便由卸料刀均勻刮入接料斗中。圓盤連續運轉,就完成了均勻的給料操作。調整卸料刀與圓盤之間的間隙,也可以控制給料量的多少。工作時,電動機通過皮帶輪帶動裝在蝸桿減速器上的圓盤轉動。
1.產品運行穩定簡單易操作;
2.適用范圍廣泛,節能高效;
3.承載力大,運轉平穩;
4.具有結構簡單、給料均勻,使用可靠的優點,如果改變調整套與圓盤之間的距離,可以達到調節給料量的目的。
| 圓盤給料機 | |||||||
| 類型 | 型號 | 圓盤直徑 | 圓盤轉速 | 給料能力 | 電機型號 | 電機功率(kW) | 重量(kg) |
| (mm) | (r/min) | (t/h) | |||||
| 封閉吊式 | YG300 | 300 | 10 | 0?1.8 | Y80L-4 | 0.55 | 115 |
| YG400 | 400 | 10.7 | 0?2.6 | Y90L-6 | 1.1 | 120 | |
| YG500 | 500 | 0?3.3 | Y90L-6 | 1.1 | 124 | ||
| YG600 | 600 | 10 | 0?5.0 | Y90L-6 | 1.1 | 130 | |
| YG800 | 800 | 9 | 0?8.0 | Y90L-6 | 1.1 | 195 | |
| YG1000 | 1000 | 9 | 0?12 | Y90L-4 | 1.5 | 263 | |
| YG1500 | 1500 | 7 | 0?22 | Y132M2-6 | 5.5 | 755 | |
| YG2000 | 2000 | 5 | 0?80 | Y160L-6 | 11 | 2517 | |
| 敞開吊式 | DK600 | 600 | 7.53 | 1.8?3.9 | Y90L-6 | 1.1 | 410 |
| DK800 | 800 | 7.53 | 3.5?7.6 | 600 | |||
| DK1000 | 1000 | 7.5 | 1.8?16.7 | Y100L-6 | 1.5 | 725 | |
| DK1300 | 1300 | 6.5 | 4.3?27.9 | Y132S-6 | 3 | 846 | |
| DK1600 | 1600 | 6 | 7.03?48.6 | Y132M1-6 | 4 | 1980 | |
| DK1800 | 1800 | 5 | 9.26?60 | Y132M2-6 | 5.5 | 3070 | |
| DK2000 | 2000 | 13.6?88.4 | Y132M2-6 | 3260 | |||
如果您正在尋找相關產品,或者有其他問題,可隨時撥打金鵬礦業機械服務熱線,或點擊下方按鈕與我們在線交流!